官网首页
关于我们
协会简介
协会章程
组织机构
理事名单
会费管理
新闻政策
政策法规
湖北要闻
襄阳要闻
协会文件
部门文件
会员服务
会员登录
入会申请
会员风采
3A信用评级
会员招聘
协会评先
证书查询
下载中心
联系我们
教育培训
工程监理
工程造价
工程检测
党建之家
站点地图
×
关于我们
协会简介
/li>
协会章程
/li>
组织机构
/li>
理事名单
/li>
会费管理
/li>
{/else}
关于我们
新闻政策
政策法规
/li>
湖北要闻
/li>
襄阳要闻
/li>
协会文件
/li>
部门文件
/li>
{/else}
新闻政策
会员服务
会员登录
/li>
入会申请
/li>
会员风采
/li>
3A信用评级
/li>
会员招聘
/li>
协会评先
/li>
证书查询
/li>
{/else}
会员服务
教育培训
工程监理
/li>
工程造价
/li>
工程检测
/li>
{/else}
教育培训
NEWS & POLICIES
新闻政策
全部文章
政策法规
湖北要闻
襄阳要闻
协会文件
部门文件
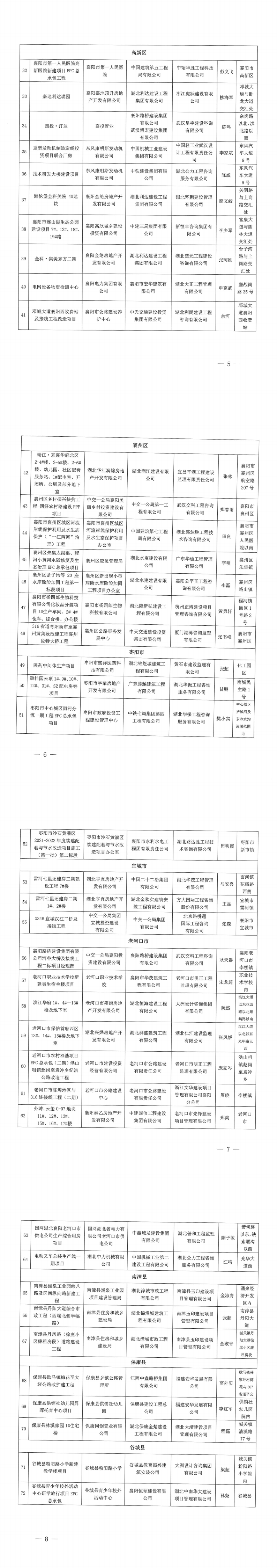
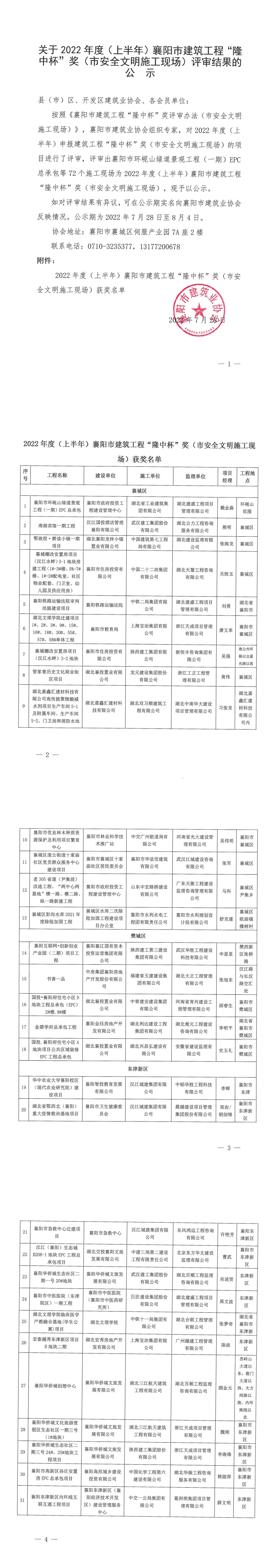
关于2022年度(上半年)襄阳市建筑工程“隆中杯”奖(市安全文明施工现场)评审结果的公示
发布时间:2022-07-28
浏览量:6841
客户留言
0710 - 3235377